A316-1926V1 USB多路音频解码器模组规格书

1、产品介绍
1.1 产品描述
- A316-1926V1是⼀款 USB多路高清音频解码器模组。模组使⽤XMOS的XU316-1024-QF60BC24芯⽚,集成了高精度DC-DC芯片,输出1.8V,0.9V电压给XU316 。模组集成了48.152MHz和49.152MHz有源晶体,满足不同高清音频采用率要求。模组内置XU316所需的24MHz晶体以及16Mbit Flash用来存储音频固件。
- A316-1926V1提供兼容全速和⾼速的USB2.0接⼝的USB AUdiO声卡设备,在USB 2.0异步模式中,能够⽀持⾼达768 KHz的采样率。
- 配合不同的固件,A316-1926V1可以处理高达6路SPDIF高清音频,以及2路I2S高清音频信号,满足多种高清音频解码器的需求。
1.2 产品特性
- USB接口特性
- USB 2.0 (Full-speed and High-speed)
- USB Audio Class 1.0
- USB Audio Class 2.0
- USB Firmware Upgrade (DFU)
- USB Midi Device Class 1.0
- 支持音频协议
- I2S/TDM
- S/PDIF(光钎/同轴)
- Direct Stream Digital(DSD)
- ADAT
- 支持音频采用率
- PCM: 44.1kHz, 48kHz, 88.2kHz, 96kHz, 176.4kHz, 192kHz, 352.8kHz, 384kHz,705.6kHz,768KHz
- DSD: DSD 64 ,DSD 128, DSD 256, DSD 512
- DOP: DOP 64 ,DOP 128,DOP256
- 系统兼容
- UAC 2.0协议 ,支持ASIO ,支持多种操作系统,如Windows , Linux ,Android, MAC OS 和IOS等
1.3 产品框图
1.4 规格描述
| 规格项 | 描述 |
| 产品名称 | A316-1926V1 |
| 产品描述 | USB多路高清音频解码器模组 |
| 封装类型 | SMT邮票孔 |
| 环保说明 | 所有硬件部件完全符合欧盟RoHS指令 |
1.5 绝对电⽓参数
| 参数 | 最小值 | 最大值 | 单位 |
| 存储温度 | -40 | 125 | ℃ |
| 供电电压 | -0.5 | 3.63 | V |
| 静电释放电压(⼈体模型)TAMB-25℃ | -2 | 2 | KV |
| 静电释放电压(机器模型)TAMB-25℃ | -500 | 500 | V |
1.6 正常工作条件
| 功能 | 最小值 | 典型值 | 最大值 | 单位 |
| 工作温度 | 0 | - | 70 | ℃ |
| 工作电压 | 3 | 3.3 | 3.6 | V |
1.7 工作电流
2、管脚定义
2.1 管脚布局
2.2 管脚描述
| 模组管脚序号 | 名称 | 类型 | 功能 |
| 1 | GND | P | 模组地 |
| 2 | 3V3 | P | 模组3.3V供电 |
| 3 | X1D11 | I/O | 多功能GPIO,具体功能参考PortMap |
| 4 | X1D10 | I/O | 多功能GPIO,具体功能参考PortMap |
| 5 | X1D09 | I/O | 多功能GPIO,具体功能参考PortMap |
| 6 | X1D01 | I/O | 多功能GPIO,具体功能参考PortMap |
| 7 | X1D00 | I/O | 多功能GPIO,具体功能参考PortMap |
| 8 | X0D11 | I/O | 多功能GPIO,具体功能参考PortMap |
| 9 | X0D00 | I/O | 多功能GPIO,具体功能参考PortMap |
| 10 | X0D31 | I/O | 多功能GPIO,具体功能参考PortMap |
| 11 | X0D30 | I/O | 多功能GPIO,具体功能参考PortMap |
| 12 | X1D34 | I/O | 多功能GPIO,具体功能参考PortMap |
| 13 | X0D43 | I/O | 多功能GPIO,具体功能参考PortMap |
| 14 | X0D41 | I/O | 多功能GPIO,具体功能参考PortMap |
| 15 | X0D42 | I/O | 多功能GPIO,具体功能参考PortMap |
| 16 | MCLK | I/O | 49.152/45.1584MHz 时钟输出 |
| 17 | X0D40 | I/O | 多功能GPIO,具体功能参考PortMap |
| 18 | X0D38 | I/O | 多功能GPIO,具体功能参考PortMap |
| 19 | X0D37 | I/O | 多功能GPIO,具体功能参考PortMap |
| 20 | X0D36 | I/O | 多功能GPIO,具体功能参考PortMap |
| 21 | X0D35 | I/O | 多功能GPIO,具体功能参考PortMap |
| 22 | X0D29 | I/O | 多功能GPIO,具体功能参考PortMap |
| 23 | X1D22 | I/O | 多功能GPIO,具体功能参考PortMap |
| 24 | X1D19 | I/O | 多功能GPIO,具体功能参考PortMap |
| 25 | X1D16 | I/O | 多功能GPIO,具体功能参考PortMap |
| 26 | USB_DP | I/O | USB_DP |
| 27 | USB_DM | I/O | USB_DM |
| 28 | X1D18 | I/O | 多功能GPIO,具体功能参考PortMap |
| 29 | X1D17 | I/O | 多功能GPIO,具体功能参考PortMap |
| 30 | X1D13 | I/O | 多功能GPIO,具体功能参考PortMap |
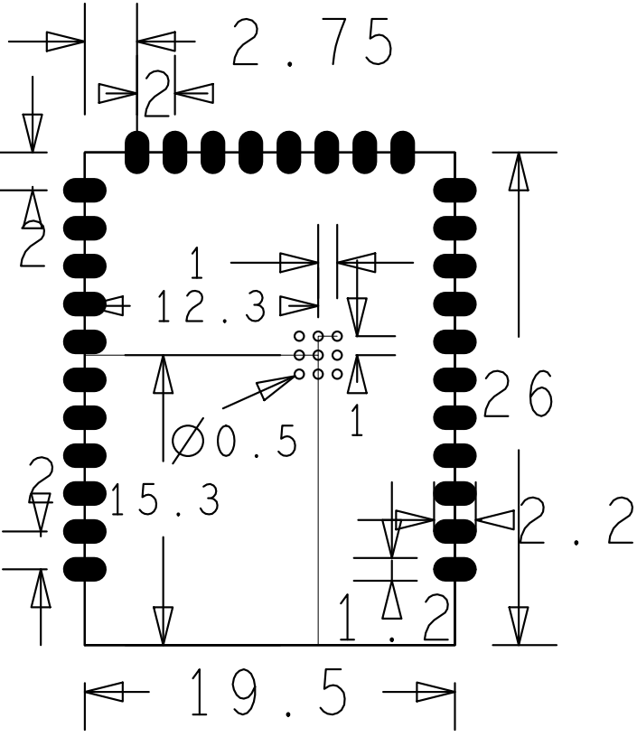
3、模组尺⼨和PCB封装图形
3.1 模组尺⼨
PCB尺⼨:19.5±0.3(L)X26±0.3(W)X0.8±0.1(H)
3.2 模组封装图
4、产品包装信息
托盘+外箱包装
5、推荐回流焊炉温曲线
6、咨询反馈
点击展开咨询反馈表单